Werkstoff: Gehäuse Sinterstahl bzw. GG20. Hebelarm St52. Kettenrad aus Stahl.

Das Spannelement, ein kontinuierlich spannendes Torsionselement, verlängert die Lebensdauer von Ketten- und Riementrieben um mindestens 30% und reduziert drastisch Unterhalts- und Reparaturarbeiten. Die einmalige Funktionsweise dieser Feder bietet einen langen Spannweg, zumal der Hebelarm in beiden Richtungen bis zu 30 ° vorgespannt werden kann. Die permanente Torsionskraft kompensiert nicht nur automatisch die Kettenlängung, das gummigelagerte Element wirkt auch als Dämpfer von Vibrationen und Schlägen im gesamten Antrieb. Weitere Vorteile: Kettenspur einstellbar, Gummidämpfung, im Winkelbereich von 360 ° einstellbar, Spanndruck stufenlos von "normal" bis" hart" einstellbar. Für beide Spannrichtungen geeignet.

Service:

Katalogseite

Zusätzliche Informationen



Die angebotenen CAD-Daten, Abbildungen und technischen Zeichnungen werden mit größtmöglicher Sorgfalt erstellt.
Dennoch kann keine Gewährleistung für die Fehlerfreiheit und Genauigkeit dieser Daten übernommen werden.

( freibleibend aus Lagervorrat / kurzfristig lieferbar / Lieferzeit nach Vereinbarung. Bitte fragen Sie nach. )
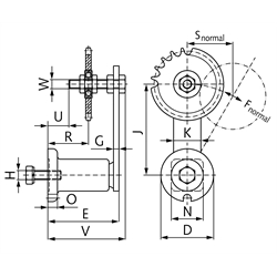
Artikel Menge DIN / ISO-Nr. Teilung
[Zoll]
ZähnezahlTeilkreis-Ø
[mm]
Spannelement
[Größe]
Spannkraftmax.
[N]
D
[mm]
E
[mm]
G
[mm]
H
[mm]
J
[mm]
K
[mm]
N
[mm]
O
[mm]
R
[mm]
Smax.
[mm]
U
[mm]
V
[mm]
W
[mm]
Gewicht
[kg]
14050100
06 B-13/8 x 7/321545,8123505879+1,5-0,57M 10100303510,534-5550,02385M 100,75
14050200
0811/2 x 1/81873,1423505879+1,5-0,57M 10100303510,540-4850,02388M 160,95
14050300
0831/2 x 3/161873,1423505879+1,5-0,57M 10100303510,540-4850,02388M 160,96
14050500
08 B-11/2 x 5/161561,0823505879+1,5-0,57M 10100303510,534-5550,02385M 100,80
14050600
10 B-15/8 x 3/81576,36381078108 +2-0,58M 1213050521542-8065,027115M 122,05
14050700
12 B-13/4 x 7/161591,63381078108 +2-0,58M 1213050521542-8065,027115M 122,25
14050800
16 B-11"x17,02mm13106,144150095140 +2-0,510M 1617560661560-10087,540153M 204,80


zur Gruppe


Impressum AGB Hilfe Datenschutzerklärung Index


MÄDLER on Facebook Facebook MÄDLER on Youtube YouTube MÄDLER on Twitter Twitter MÄDLER on Instagram Instagram MÄDLER on Xingk Xing MÄDLER on Linkedin LinkedIn