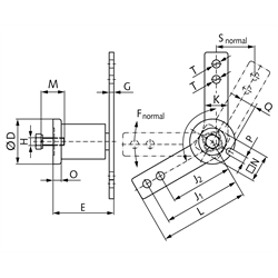
Werkstoff: Gehäuse Sinterstahl, Hebelarm St52.

Diese Spannelemente eignen sich zum Spannen von sehr langen Ketten- oder Riementrieben. Der Leertrumm wird s-förmig durch die gefügten Spannräder oder -rollen geführt und der Hebelarm arbeitet dann wie eine Wippe. Es wird somit das dreifache an Längung gegenüber dem herkömmlichen Spanner kompensiert.

Service:

Katalogseite

Zusätzliche Informationen



Die angebotenen CAD-Daten, Abbildungen und technischen Zeichnungen werden mit größtmöglicher Sorgfalt erstellt.
Dennoch kann keine Gewährleistung für die Fehlerfreiheit und Genauigkeit dieser Daten übernommen werden.

( freibleibend aus Lagervorrat / kurzfristig lieferbar / Lieferzeit nach Vereinbarung. Bitte fragen Sie nach. )
Artikel Menge GrößeFmax. bei normal
[N]
Fmax. bei hart
[N]
Smax. bei normal
[mm]
Smax. bei hart
[mm]
D
[mm]
E
[mm]
G
[mm]
H
[mm]
J1
[mm]
J2
[mm]
K
[mm]
L
[mm]
M
[mm]
N
[mm]
O
[mm]
P
[mm]
Q
[mm]
T
[mm]
MA
[Nm]
Gewicht
[kg]
14080209
217522050405878 +1,5 -0,56M101008030115303510,58,525,310,5490,75
14080309
3405506655078108 +2,0 -0,58M121301005015540521510,534,312,5862,1


zur Gruppe


Impressum AGB Hilfe Datenschutzerklärung Index


MÄDLER on Facebook Facebook MÄDLER on Youtube YouTube MÄDLER on Twitter Twitter MÄDLER on Instagram Instagram MÄDLER on Xingk Xing MÄDLER on Linkedin LinkedIn