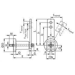
Werkstoff: Gehäuse bis Ø78 mm aus Sinterstahl, über Ø78 mm aus GG20. Hebelarm aus St52.

Diese Spannelemente entsprechen maßgeblich der Standardausführung. Zur leichteren Montage werden sie mittels der durchgehenden Schraube von der Hebelarmseite befestigt. Maschinenseitig ist ein Gewinde einzubringen. Die beigefügte Schraube ist durch einen O-Ring transportgesichert.

Service:

Katalogseite

Zusätzliche Informationen



Die angebotenen CAD-Daten, Abbildungen und technischen Zeichnungen werden mit größtmöglicher Sorgfalt erstellt.
Dennoch kann keine Gewährleistung für die Fehlerfreiheit und Genauigkeit dieser Daten übernommen werden.

( freibleibend aus Lagervorrat / kurzfristig lieferbar / Lieferzeit nach Vereinbarung. Bitte fragen Sie nach. )
Artikel Menge GrößeFmax. bei normal
[N]
Fmax. bei hart
[N]
Smax. bei normal
[mm]
Smax. bei hart
[mm]
D
[mm]
E
[mm]
G
[mm]
H
[mm]
J1
[mm]
J2
[mm]
K
[mm]
L
[mm]
M
[mm]
N
[mm]
O
[mm]
P
[mm]
Q
[mm]
R
[mm]
T
[mm]
MA
[Nm]
Gewicht
[kg]
14080107
113517050404564 +1,0 -0,55M61008025112,5123088,520,81010,5170,4
14080207
235044050405879 +1,5 -0,57M81008030115183510,58,525,31110,5410,65
14080307
38101050655078108 +2,0 -0,58M101301005015517521510,534,31512,5831,85
14080407
41500187587,57095140 +2,0 -0,510M121751406020516661512,542,01720,51453,7


zur Gruppe


Impressum AGB Hilfe Datenschutzerklärung Index


MÄDLER on Facebook Facebook MÄDLER on Youtube YouTube MÄDLER on Twitter Twitter MÄDLER on Instagram Instagram MÄDLER on Xingk Xing MÄDLER on Linkedin LinkedIn