Werkstoff: Stahl verzinkt.
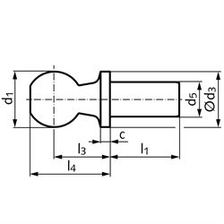
Form B: mit Nietzapfen.
Die Kugelzapfen ermöglichen Bewegungen in verschiedene Richtungen. Der Nietzapfen wird in ein Gegenstück eingesetzt und dort vernietet oder fixiert. Dadurch entsteht eine feste, spielfreie Verbindung, die sich nicht mehr ohne Weiteres lösen lässt.
Diese Nietzapfen können für Kugelpfannen DIN 71805 oder als Ersatzteil für Winkelgelenke DIN 71802 verwendet werden.
Service:
Katalogseite
Die angebotenen CAD-Daten, Abbildungen und technischen Zeichnungen werden mit größtmöglicher Sorgfalt erstellt.
Dennoch kann keine Gewährleistung für die Fehlerfreiheit und Genauigkeit dieser Daten übernommen werden.
Lieferzeit nach Vereinbarung. Bitte fragen Sie nach. )