Werkstoff: Zahnrad: offenzelliger PU-Schaum mit Haftöl (H1-Zulassung) vorbeölt. Achse: Edelstahl. Gleitlagerung.

Modulverzahnung nach DIN 867. Nicht zur Drehmomentübertragung. Wahlweise kann eine Zahnstange oder ein Zahnrad geschmiert werden. Vorzugsweise erfolgt der Anbau am Antriebszahnrad. Der Schaumstoff speichert den Schmierstoff und gibt ihn in kleinsten Dosiermengen wieder ab. Die Schmierstoffversorgung kann automatisch oder manuell, z.B. mit einer Fettpresse, erfolgen.

Temperaturbereich: -10°C bis +80°C.

Service:

Katalogseite

Betriebs / Wartungsanleitung



Die angebotenen CAD-Daten, Abbildungen und technischen Zeichnungen werden mit größtmöglicher Sorgfalt erstellt.
Dennoch kann keine Gewährleistung für die Fehlerfreiheit und Genauigkeit dieser Daten übernommen werden.

( freibleibend aus Lagervorrat / kurzfristig lieferbar / Lieferzeit nach Vereinbarung. Bitte fragen Sie nach. )
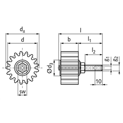
Artikel Menge ModulZähnezahlb
[mm]
da
[mm]
d
[mm]
I
[mm]
I1
[mm]
I2
[mm]
g1
[mm]
g2
[mm]
d3
[mm]
sw
[mm]
Gewicht
[g]
68057115A10
1,52410393657±244,733,9±1M6M10271557
68057115A
1,52415393662,4±245,134,2±1M6M10271557
68057120A15
21715383462,4±245,134,2±1M6M10271563
68057120A
21720383465,5±243,231,5±1M6M10271563
68057125A20
2,5172047,542,565,5±243,231,5±1M6M10271583
68057125A
2,5172547,542,567,8±240,529,8±1M6M10271583
68057130A25
31725575167,8±240,529,8±1M6M10271583
68057130A
31730575172,8±240,529,8±1M6M10271583
68057140A30
41730766872,8±240,529,8±1M6M102715124
68057140A
41740766882,8±240,529,8±1M6M102715124
68057150A40
517409585108±265,747,5±1M10x1M166024332
68057150A
517509585118±265,747,5±1M10x1M166024369
68057160A50
61750114102118±265,747,5±1M10x1M166024448
68057160A
61760114102128±265,747,5±1M10x1M166024448
68057180A65
81765152136133±265,747,5±1M10x1M166024622
68057180A
81780152136148±265,747,5±1M10x1M166024622
68057100A
1017100190170168±265,747,5±1M10x1M1610024709


zur Gruppe


Impressum AGB Hilfe Datenschutzerklärung Index


MÄDLER on Facebook Facebook MÄDLER on Youtube YouTube MÄDLER on Twitter Twitter MÄDLER on Instagram Instagram MÄDLER on Xingk Xing MÄDLER on Linkedin LinkedIn