Werkstoff: Stahl C45 verzinkt.

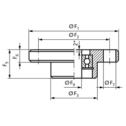
Anbauplatte für Montage auf einen Wellenzapfen am Spindelende.

* Mindestabstand zum Wellenzapfen am Spindelende.

Service:

Katalogseite

Betriebs / Wartungsanleitung

Zusätzliche Informationen



Die angebotenen CAD-Daten, Abbildungen und technischen Zeichnungen werden mit größtmöglicher Sorgfalt erstellt.
Dennoch kann keine Gewährleistung für die Fehlerfreiheit und Genauigkeit dieser Daten übernommen werden.

( freibleibend aus Lagervorrat / kurzfristig lieferbar / Lieferzeit nach Vereinbarung. Bitte fragen Sie nach. )
Artikel Menge BaugrösseF1
[mm]
F2
[mm]
F3
[mm]
F5
[mm]
F6
[mm]
F7
[mm]
F9
[mm]
KugellagerbezeichnungGewicht
[kg]
47500017
05040261674 x Ø71061800-2RS0,10
47500117
16548292074 x Ø91261801-2RS0,19
47500217
28060392084 x Ø11156002-2RS0,32
47500317
390674623104 x Ø112061904-2RS0,50
47500417
4110856030154 x Ø13256005-2RS1,10


zur Gruppe


Impressum AGB Hilfe Datenschutzerklärung Index


MÄDLER on Facebook Facebook MÄDLER on Youtube YouTube MÄDLER on Twitter Twitter MÄDLER on Instagram Instagram MÄDLER on Xingk Xing MÄDLER on Linkedin LinkedIn